
1¡¢²úÆ·¼ò½é
GLLI-0/3N£¨×Ô¶¯ÖغÏÕ¢ÐÍ£©ËÜ¿ÇʽʣÓàµçÁ÷±£»¤Æ÷(ÒÔϼò³Æ±£»¤Æ÷),ÄÚ²¿ÓÉÈýÏàËÄÏß»òÈýÏàËļ«¡¢ÈÈ´Åʽ¡¢µç×Óʽ¹ýÁ÷±£»¤µÄ¿ÕÆø±£»¤Æ÷×é³É¡£ÄÚÖõ綯²Ù×÷ϵͳÅäºÏµç×ӵ緣¬×éºÏ³ÉÄÜ×Ô¶¯ºÏ¡¢·ÖÕ¢£¬ÓЩµç¡¢¹ýÁ÷¡¢¶Ì·±£»¤¹¦ÄÜ£¬¹¤×÷µçÁ÷ÔÚ100AÒÔϵģ¬ÓÐ×ۺϱ£»¤¹¦Äܵı£»¤×°Öᣲ¿·Ö²úÆ·ÁôÓÐRS-485ͨÐż°Ô¶³Ì·Ö¶Ï½Ó¿Ú¡£http://180.178.35.170
²úÆ··ûºÏGB14048.2±ê×¼µÄÒªÇó¡£²¿·Ö²úÆ·Ö§³ÖDL/T645-07¶à¹¦ÄܵçÄܱíͨÐÅÐÒé¡£
2¡¢²úÆ·ÓÃ;
²úÆ·ÓÃÓڶ¹¤×÷µçѹ380V/50Hz£¬¹¤×÷µçÁ÷100AÒÔÏ£¬ÈýÏàËÄÏß¡¢ÈýÏàÈýÏß¶¯Á¦¼°2Vµ¥ÏàÕÕÃ÷µç·ÖУ¬×÷ÈËÐó½Ó´¥´øµçÌåÆð¼ä½Ó²¹³ä±£»¤Ê¹ÓᣲúÆ·¶Ô¹©µçÏß·¡¢ÓõçÉ豸ÓЩµç¡¢¹ýÔØ¡¢¶Ì·±£»¤×÷ÓᣲúÆ·½á¹¹¿É¿¿£¬°²×°·½±ã£¬ÊÊÓÃÓÚ¹¤¿óÆóÒµ,ÒÆ¶¯Óõ糡Ëù£¬Å©´åµçÍøµÄ¶à¼¶±£»¤¡£²¢¿É×÷ΪԤ¸¶·Ñµç¶È±í¿ØÖÆ¿ª¹ØºÍ¸÷ÖÖÔ¶³Ì¿ØÖÆ¿ª¹ØÖ®Óá£
²úÆ·ÔÚ¹©µçÏß·Öиùé§ÐèÇó¿É×÷×ܱ£»¤£¬Ò²¿É×÷·Ö·±£»¤£¬²»ÍƼöÄú×÷Ä©¼¶±£»¤¡£
3¡¢¼¼Êõ²ÎÊý
3.1 ¶î¶¨¹¤×÷µçѹ£º AC 380V/50Hz
3.2 ¶î¶¨µçÁ÷£ºAC 160A¡¢0A£¨63A¡¢100A£©¿Éµ÷
3.3 ¶î¶¨¸¨ÖúµçÔ´µçѹ£º AC 2V/50Hz
3.4 ¶î¶¨Ê£Óද×÷µçÁ÷£º100mA¡¢300 mA¡¢ 500 mA
3.5 ¶î¶¨Ê£Ó಻¶¯×÷µçÁ÷£º50mA¡¢150mA¡¢250 mA
3.6 ¶î¶¨¼«ÏÞ¶Ì··Ö¶ÏÄÜÁ¦£º10kA
3.7 ¶î¶¨Ê£Óද×÷µçÁ÷·Ö¶Ïʱ¼ä£º0.2s¡¢0.4s
3.8 ÖØºÏբʱ¼ä£ºs ¡« 60s
3.9 ¶¯×÷ÌØÐÔ£ºACÐÍ
3.10 ÔËÐÐ×´¿ö£ºµç¶¯²½½ø×Ô¶¯ºÏÕ¢Ëø¶¨£¬¹¤×÷ʱ½ÚµçÎÞÉù
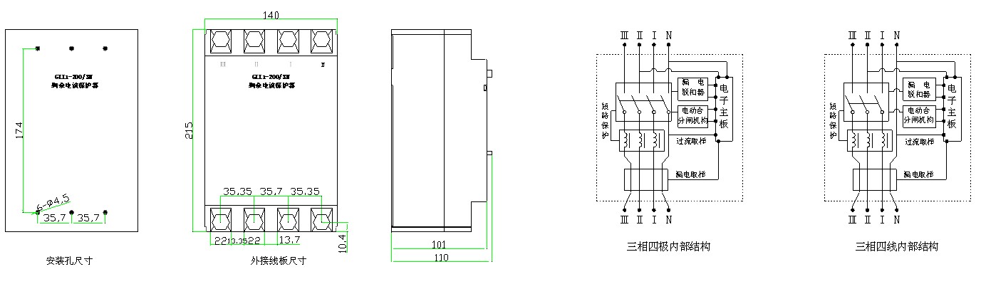
4¡¢²úÆ·³ß´çÓë½á¹¹

5¡¢¹¤×÷Ìõ¼þ
5.1 ÊÊÓ¦ÔÚ»·¾³Î¶ÈΪ-5¡æ- +40¡æ£»Ïà¶Ôʪ¶È£¼90%£»º£°Î²»³¬¹ý 00Ãס£
5.2 ±£»¤Æ÷Ó¦°²×°ÔÚ¸ÉÔͨ·ç¡¢·À³¾¡¢·ÀÖ¹Óк¦ÆøÌå¡¢Ô¶Àë´Å³¡¡¢·ÀÖ¹Õ𶯡¢Ì«Ñôֱɹ£¬ÓêË®ÇÖÊ´£¬¹Ì¶¨ÔÚÒ»¶¨¸ß¶È±ãÓÚ²Ù×÷µÄµØ·½¡£
6¡¢°²×°±£»¤Æ÷
6.1 Çë²ÎÕÕ±£»¤Æ÷½ÓÏßͼ½ÓÏß¡£
6.2 ±£»¤Æ÷Ó¦´¹Ö±°²×°£¬ÑϽûˮƽ»òµ¹Öð²×°£¬ÓÃÂݶ¤Í¨¹ý°²×°¿×¹Ì¶¨¡£
6.3 ²úÆ·Éϲà¢ó¡¢¢ò¡¢¢ñ¡¢NΪµçÔ´½øÏß²à,·Ö±ð¶ÔÓ¦ÏàÏßA¡¢ B¡¢ CºÍµçÔ´ÖÐÐÔÏߣ¨ÁãÏߣ©N£¬Ï²à¢ó¡¢¢ò¡¢¢ñ¡¢NΪ¸ºÔزà½ÓÏß¡£
6.4 µçÔ´½ø³öÏßӦѡÓÃ×ã¹»Ãæ»ýµÄ¹ý¶É½ÓÏß×°Öûòµ¼Ïß(µ¼Ïß½ØÃæ»ý£¬100A>25£¨35¡¢50£©mm2)£¬½ø³öµ¼ÏߵľøÔµµçѹ´óÓÚ500V£¬ÒÔÂú×ã±£»¤Æ÷¼°Óû§¸ºÔصÄʹÓÃÒªÇó¡£
6.5 ½ÓÏßÂÝË¿Á¦¶ÈÒªÊʶȣ¬ÒÔ·ÀÖ¹½ÓÏßÂÝË¿Ëɶ¯£¬ÉÕ»µ½ÓÏß¶Ë×°Öá£
7¡¢¹¦ÄܽéÉÜÓë²Ù×÷ʹÓÃ
ÏÔʾ´°¿Ú˵Ã÷£º[·ÇÊýÏÔÐÍÎÞ´ËÏÔʾ´°¿Ú]¼û¸½Â¼
¹¤×÷µçÁ÷ÏÔʾ´úºÅ£º A µ¥Î»A.
¸¨ÖúµçÔ´µçѹÏÔʾ´úºÅ£º U µ¥Î»V
Ê£ÓàµçÁ÷ÏÔʾ´úºÅ£º L µ¥Î»mA
Òò©µç»ò¹ýÁ÷¶¯×÷ºó£¬±£»¤Æ÷ÊýÂë¹ÜÏÔʾ©µçµçÁ÷»ò¹ýÁ÷¶¯×÷µçÁ÷Öµ£¬ÔÚÏÂÒ»´ÎºÏբʱ×Ô¶¯¡£
Ô¶³Ì¿ØÖƽӿڣº£¨¸ù¾ÝÓû§ÒªÇó¶¨ÖÆ£©½ÓÏß¶ËÓÐËĸö½ÓÏ߿ף¬É϶˵ÄÁ½¸ö½ÓÏß¿×ΪRS-485ͨѶ½Ó¿Ú£¬Ï¶ËÁ½¸öΪԶ¿Ø½Ó¿Ú
7.1 Èý¸ö¶Ï¿ªÖ¸Ê¾£¬ÏÔʾ±£»¤Æ÷µÄÄÚ²¿¹¤×÷״̬£¬µ¯³öΪ¶Ï¿ª£¬ÎüÈëΪ½Óͨ¡£
7.2 ÊÖ¶¯¶Ï¿ª£ºÔÚÎÞ¸¨ÖúµçÔ´»òµçÔ´µçѹÓйÊÕϼ°ÆäËü½ô¼±Çé¿öÏ£¬Ç¿Ðа´ÊÖ¶¯¶Ï¿ª°´Å¥£¬±£»¤Æ÷ÄÜѸËÙ¶Ï¿ª¡£²»ÔÙ×Ô¶¯ÖغÏÕ¢¡£
ÊÖ¶¯¶Ï¿ªºó£¬Ãæ°åµÄºìÉ«µçÔ´¿ª¹ØÒ²Òª¼°Ê±¶Ï¿ª£¬·ÀÖ¹ÓÉÓÚµçÔ´Í£µç¸´Ë͵çÔì³É¶þ´ÎºÏÕ¢¡£
7.3±£»¤Æ÷ÕýÃæ¶þָֻʾµÆ×÷Óãº
µçԴָʾÂ̵ÆÁÁ¨D¨D±íʾµçÔ´²àµçÔ´½Óͨ£»
ºÏբָʾºìµÆÁÁ¨D¨D±íÊ¾Ãæ°åµçÔ´¿ª¹ØÖÃÓÚ½ÓͨλÖÃʱ£¬¾ÄÚ²¿µç¶¯²Ù×÷ºÏÕ¢ÔËÐÐ15Ãëºó£¬Èý¸ö¶Ï¿ªÖ¸Ê¾ÎüÈ룬ÄÚ²¿¿ª¹Ø´¥µãÒѽÓͨ²¢Ïò¸ºÔØË͵硣
7.4 ©µçÊÔÑé°´Å¥£ºÓÃÀ´ÊÔÑé±£»¤Æ÷ÊÇ·ñÕý³£¹¤×÷¡£
7.5 Ê£ÓàµçÁ÷µ÷½ÚÉ趨£ºµ±±£»¤Æ÷Ãæ°åÉϲ¦Â뿪¹ØÄÚµÄÉ趨Êý×ÖΪ1¡¢2¡¢3¡¢4¡¢5·Ö±ð±íʾ±£»¤Æ÷µÄ¶î¶¨Ê£Óද×÷µçÁ÷Ϊ100mA¡¢0mA¡¢300mA¡¢400mA¡¢500mA£»0µµÊ±±íʾ±£»¤Æ÷µÄ¶î¶¨Ê£Óද×÷µçÁ÷Ϊ500mA¡£µ±±£»¤Æ÷Ãæ°åÉϲ¦Â뿪¹ØÄÚµÄÉ趨Êý×ÖΪ6¡¢7¡¢8¡¢9ʱ£¬±íʾ¸½É蹦ÄÜ¡£
7.6¹¤×÷µçÁ÷É趨²¦Â뿪¹Ø£º
ÓÃÓÚÉ趨±£»¤Æ÷µÄ¹¤×÷±£»¤µçÁ÷Öµ¡£µ±±£»¤Æ÷Ãæ°åÉϲ¦Â뿪¹ØÄÚµÄÉ趨Êý×ÖΪ1¡¢ 2¡¢ 3¡¢ 4ÒÀ´Î·Ö±ð±íʾ¶î¶¨¹¤×÷µçÁ÷Ϊ63A¡¢100A¡¢160A ¡¢0A£»µ±±£»¤Æ÷Ãæ°åÉϲ¦Â뿪¹ØÄÚµÄÉ趨Êý×ÖΪ5¡¢6¡¢ 7¡¢ 8¡¢ 9ʱ£¬±íʾ¸½É蹦ÄÜ¡£
7.7ÄÚ²ØÈý¸ö¹¦ÄÜ¿ª¹Ø¹¦ÄÜÈçÏ£º
1©µç±£»¤Í˳ö£ºµ±±£»¤¿ª¹Ø²¦µ½Í˳öλÖ㬱£»¤Æ÷ÎÞ©µç±£»¤¹¦ÄÜ£¬Ö»×ö¹ýÁ÷¼°¶Ì·±£»¤Óá£
×¢Ò⣺Í˳ö¹¦ÄܳýרҵÈËÔ±ÔÚ¼ìÐ޵緹ÊÕÏʱʹÓÃÍ⣬ÆäËûÈËÔ±ÇëÎðʹÓô˹¦ÄÜ¡£
2 ¹ýÁ÷Í˳öÑ¡Ôñ£ºµ±±£»¤¿ª¹Ø²¦µ½Í˳öλÖã¬,±£»¤Æ÷ÎÞ¹ýÁ÷±£»¤¹¦ÄÜ£¬Ö»×ö©µç¼°¶Ì·±£»¤Óá£
3¶¯×÷ʱ¼ä0.2s¡¢0.4sÑ¡Ôñ£ºµ±Äú½«±£»¤Æ÷ÓÃÓÚ·Ö·±£»¤Ê±Ñ¡Óö¯×÷ʱ¼ä0.2s£»µ±Äú½«±£»¤Æ÷ÓÃÓÚ×ܱ£»¤Ê±£¬½«¶¯×÷ʱ¼äµ÷µ½0.4s¡£
7.8 Ë͵硢ÊÔÑé
7.8£1 ¾¼ì²é½ÓÏßÎÞÎóºó·½¿ÉË͵çÊÔÑ飬½Óͨ¹©µç²àµçÔ´£¬±£»¤Æ÷Ãæ°åÉϵĵçÔ´½ÓͨµÆÁÁ£¬ÔÙ½Óͨ±£»¤Æ÷ÉϵĺϷÖÕ¢¿ª¹Ø£¬¾15sºó£¬Èý¸ö¶Ï¿ªÖ¸Ê¾×Ô¶¯ÎüÈ룬Æä±£»¤Æ÷ÄÚ²¿ÒѽÓͨ£¨´ËʱӦÄÜÌýµ½¡°Å¾¡±µÄÒ»ÉùºÏÕ¢Éù£©£¬ºÏÕ¢ËÍµçµÆÁÁ£¬²¢Ïò¸ºÔزàË͵硣
7.8£2ÊÔÑ飺Çᰴ©µçÊÔÑé°´Å¥£¬±£»¤Æ÷Ó¦Á¢¼´·Ö¶Ï.¾¹ýs-60sÖØºÏÕ¢ºó£¬5sÄÚÔÚ°´Â©µçÊÔÑé°´Å¥£¬±£»¤Æ÷Ó¦Á¢¼´·Ö¶Î£¬ºÏÕ¢ËÍµçµÆÃð£¬ÊýÂë¹ÜÏÔʾ©µç¶¯×÷Öµ£¬²¢ÉÁ˸£¬²»ÔÙ×Ô¶¯ºÏÕ¢¡£
7.9 ²úÆ·ÔÚ°´¹æ³Ì°²×°Ë͵çÊÔÑéÕý³£ºó£¬Ó¦½«¹¦ÄÜ¿ª¹Ø¸Ç°åÓ÷âÇ©·âÉÏ£¬·ÇרҵÈËÔ±²»µÃÉÃ×Ô´ò¿ª¡£
8¡¢¾´¸æ
8.1±¾²úÆ·¹¦ÄÜÑ¡ÔñÇë°´GB13955-05¡¶Ê£ÓàµçÁ÷¶¯×÷±£»¤×°Öð²×°ºÍÔËÐС·»òDL/T499-01¡¶Å©´åµÍѹµçÁ¦¼¼Êõ¹æ³Ì¡·ÖÐÏà¹ØÒªÇóʹÓá£
8.2ÇëÄúÑϸñ°´ÕÕÏà¹Ø¹æ³Ì¶Ô±¾±£»¤Æ÷½øÐа²×°¡¢ÊÔÑ顢ʹÓ㬲¢¶¨ÆÚ¶¨Á¿ÊÔÑ飬£¨½¨ÒéÒ»ÖÜ×÷Ò»´ÎÒÔÉÏÊÔÑ飬²¢×÷ÊéÃæ¼Ç¼£©£¬Ð°²×°µÄÊ£ÓàµçÁ÷±£»¤Æ÷¡¢ÐèҪרÓõÄÊ£ÓàµçÁ÷±£»¤Æ÷²âÊÔÒÇ£¬½øÐвâÊÔ£¨±¾²úƷ©µçµÄ¶¯×÷ÌØÐÔÊܹ©µçÏß·ÖÊÁ¿Ó°Ï죬²âÊÔʱҪ¼ÓÒÔ×¢Ò⣩¡£·¢ÉúÒì³£Çé¿ö£¬Çë²éÇåÊǹ©µçÏß·¹ÊÕÏ£¬»¹ÊDZ£»¤Æ÷¹ÊÕÏ£¬ÈçÊDZ£»¤Æ÷¹ÊÕÏ£¬Ó¦¸ü»»Õý³£µÄ±£»¤Æ÷¡£
8.3±¾²úÆ·ÔÚµçÍøÖÐ×÷×ܱ£»¤ºÍ·Ö·±£»¤Ê¹Ó㬶ÔÈËÐóÔÚµØÉϽӴ¥´øµçÌå×÷¼ä½Ó²¹³ä±£»¤¡£ÈËÐóÔÚÁãÏßÓë»ðÏߣ¬»ðÏßÓë»ðÏ߼䴥µç²»Æð±£»¤×÷Óá£
8.4 Ó¦¾³£¼ì²é½ÓÏßÊÇ·ñÀι̣¬ÒÔ·ÀËɶ¯ÉÕ»µ½ÓÏß×°Öü°±£»¤Æ÷¡£
8.5 NÏßÑϽû©½Ó»ò´í½Ó£¬ÑϽû¿çÔ½±£»¤Æ÷½ÓÏߣ¬ÑϽûÔÚ¸ºÔØN²àÖØ¸´½ÓµØ¡£
8.6ÐèÒª¼ìÐÞÏß·ʱ£¬½«±£»¤Æ÷µÄµçÔ´¿ª¹ØÖÃÓÚ¶Ï¿ªÎ»Öã¬È·Èϱ£»¤Æ÷ÄÚ²¿¿ª¹Ø¶Ï¿ªºó¡£ÔÙÓÃÍòÓñí»òÆäËû·½Ê½²âÊÔ¸ºÔزàÓÐÎÞµçѹ£¬²¢×öºÃ½ÓµØ£¬·½¿É½øÐС£
8.7 ±£»¤Æ÷µÄ¸¨ÖúµçÔ´AC2V½ÓÔÚ±£»¤Æ÷ÄÚ²¿µÄ¢ò¡¢NÏßÉÏ£¬¼ìÐÞʱ±£»¤Æ÷µÄ¢ò¡¢N£¬¿É¹©AC2VµçÔ´£¬½øÐÐÑéÖ¤±£»¤Æ÷µÄÏà¹ØÐÔÄÜ¡£
8.8 ±£»¤Æ÷ÈçÓÐÒì³£ÏÖÏó£¬Òª¼°Ê±Í˳öÔËÐУ¬½»ÓÐ×ÊÖʵÄÈËԱάÐÞÕý³£ºóÔÙʹÓá£
8.9·ÇרҵÈËÔ±ÇëÎðÉÃ×Ô´ò¿ª±£»¤Æ÷¡£ÈçÐè¼ìÐÞ£¬Ç뽫²úÆ·½»ÓëרҵÈËԱά»¤¡£Çë±£»¤ºÃºÏ¸ñÖ¤£¬ÒÔ±ã×·ËÝ£»±¾²úÆ·×ÔÊÛ³öºóÒ»ÄêÄÚ£¬È·ÒòÖÊÁ¿ÎÊÌ⣬±¾¹«Ë¾ÊµÐÐÈý°ü¡£
8.10ÓÉÓÚ»ðÔÖ¡¢ÓêË®ÇÖÊ´¡¢À×»÷¡¢µØÕð¡¢ÍâÁ¦×²»÷£¬µçѹÒì³£¡¢±£»¤Æ÷½ÓÏß´íÎ󣬽ÓÏßËɶ¯Ôì³ÉÉÕ»µ½ÓÏß¶Ë×°ÖõÈÒÔÉÏ·ÇÖÊÁ¿ÔÒòÔì³ÉµÄ²úÆ·Ë𻵱¾¹«Ë¾²»Ìṩ²úÆ·ÍË»»£¬ÌṩάÐÞ£¬Èý°üÆÚ¹ýºó±¾¹«Ë¾ÈÔ¸ºÔðάÐÞ·þÎñ£¬±¾¹«Ë¾ÊÕÈ¡Ïà¹Ø·ÑÓá£